Adresse und Kontakt
Adresse und Kontakt-
RE-AL AG/SA
F. Oppligerstrasse 19
CH-2500 Bienne 6
T +41 (0)32 343 34 20
info@re-al.ch -
Öffnungszeiten Montag bis Freitag
07.30 – 11.45
13.30 – 17.00
Download
Download-
Nächstehend finden Sie verschiedene ansprechbare Dokumente, vorwiegend im Format PDF, Word oder Excel.
- Allgemeine Verkaufsbeding...
- IMuster für Reibahlen-Bestellu...
- Allgemein Katalog
- Neu: "Flyer" XL-Reibahlen
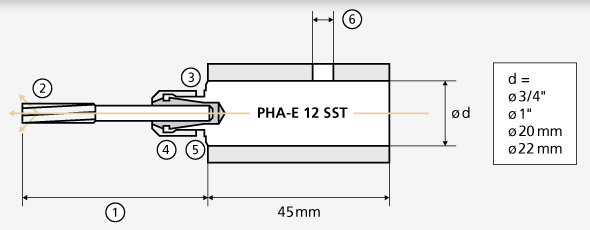
Pendelhalter PHA-E 12 SST
PHA-E 12 SST, der neue Pendelhalter der RE-AL AG: mit achsparallelem Pendelweg, für Werkzeugaufnahmen zu CNC Drehautomaten.
Unser neuer Präzisions-Pendelhalter zur Steigerung der Produktivität beim Reiben. Er garantiert Ihnen bessere Oberflächengüten und genauere Durchmesser-Toleranzen, steigert sowie die Qualität und der Reibresultate.
Vorteile und Qualität
1. Werkzeuglänge ausserhalb der Werkzeugaufnahme 30 - 65 mm (je nach Ø)
2. Mit Innenkühlung, für Sack- oder Durchgangsloch
3. Spannfläche für Mutter
4. Mutter und Spannzangen EX 12. Pendelweg 0.1 - 0.2 mm. Spannbereich 1.0 - 7.0 mm
5. Fixierschraube um Spanntiefe der Reibahle zu bestimmen
6. Schraube um PHA in Werkzeugaufnahme zu fixieren